News FAQ Music Links Forum Download

Sagem: FANs & FAQs 


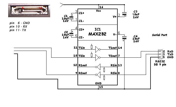
Несколько схем для связи телефонов с компьютером

Для телефонов 6хх, 7хх, 8хх серии

Для телефонов 9хх серии

Еще одна схема для 9ХХ серии (поделился Red Demon)

 

Вернуться назад